備忘録のために「るすばんくん」ハードウェア作成時の特記事項を書いておこう。
1.AKI-H8/3052 USB開発セットのブロック図

H8/3052Fのマイコンには
- 8bit 20MHz動作
- Flash ROM 512kB (書き込み保証100回)
- RAM 8kB
- I/Oポート(入出力) 最大78本
- A/Dコンバータ 最大8ch、D/Aコンバータ 2ch (A/Dコンバータ2chはD/Aコンバータと切り替え)
通常動作: モード6(16MB空間)。・・・CN5 #1、#2間をジャンパでショート
ROM書き込み時: モード7 (ブートモード)・・・子基板のジャンパを外す。親基板の書き込みレバーをONにして、リセットスイッチを押し、H8 WriteTurboでRS232C接続したPCから書き込む。
今回のはシリアルインターフェースと2本のI/Oポートがあればいいので、もっと小規模のマイコンでよかったのだけど、H8マイコンが慣れているし、LCD表示やLED、スイッチがあってデバッグが簡単なのでこれにした。あと、将来的にUSB経由でパソコンとつなぐのもいいかなと思った。
実際やってみるとUSB I/Fでパソコンとデータ送受信するソフトが付いていて、携帯通信のデバッグに役立った。
2.PCの電源制御のためのマイコンI/Oポート割り当て
一通りキットで使っているI/Oを表にまとめて、あいているところを使う。
LANキットからI/Oポートが3つのコネクタから出ている。1つのコネクタ(CNX551)からPC制御用基板への電源と制御信号をつなげるようにポートを考えた。さらに以下のように考えた。
(1)携帯インターフェース
シリアルポート(TxD0)を携帯のRxDにつなぐ。TxD0はP9-0と共用ピン。
(2)センサ SENSE_N(入力)
ケーブル接続し易いように、TxDや5V、GNDに近いポートをアサイン。P4-0にした。
(3)ランプ・ラジオ制御LAMPON_N(出力)
ケーブル接続し易いように、TxDや5V、GNDに近いポートをアサイン。P4-2にした。
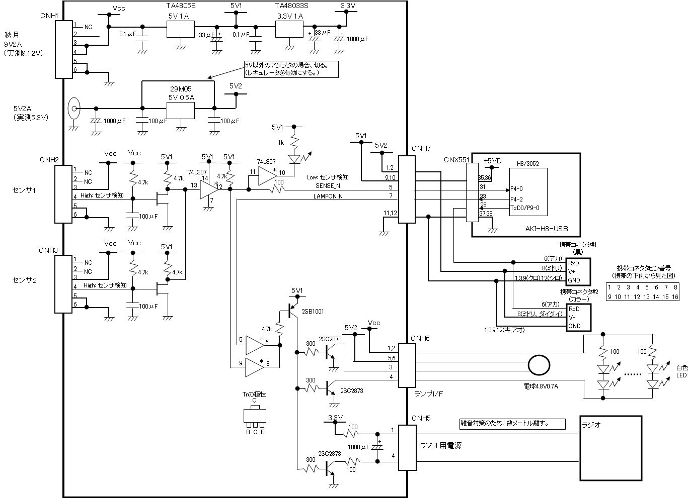
3. 回路
3.1 インターフェース回路

(1)電源
(a)Vcc(9V)
ACアダプタから9Vをもらう。 センサの電源につかう。
(b)5V1
9Vから作った5V。インターフェース回路やマイコンを動作させるための電源。
(c)5V2
別のACアダプタからの5V。ランプおよび携帯の充電用電源。ランプや携帯の影響を受けにくくするために、別電源にしている。
(d)3.3V
ラジオ用の電源
(2)センサインターフェース
センサを2つまで接続できる。(現状1つ接続)
・どちらかのセンサが検知すると動作始める。
・センサを接続していないときは、Pin#4のセンサ信号をGNDとショートしておく必要がある。
・FETでVccから5V1のレベルに変換し、74LS07に接続。
・センサの状態はLEDで見ることができる。
・マイコンにはTTLレベルで接続。
(3)ランプ・ラジオインターフェース
・マイコンの動作にかかわらず、センサが検知している間の10秒間はON状態となる。
・マイコンのLAMPON_N信号によって、ON制御される。
・トランジスタでGND側を制御。負荷の動作電圧にあわせ、プラス側は電源に接続。
ランプは、電球やLEDを接続している。(LEDはまだ接続していない。)
4.参考文献
(1)「自動車携帯電話サービスを利用するための技術参考資料(デジタル方式)第3.2版」NTTドコモ
http://www.nttdocomo.co.jp/binary/pdf/corporate/technology/document/pdc/jidoushadenwa.pdf
(2)トランジスタ技術2005年9月号 pp.239-246
「R8C/15付録マイコン基板活用企画 第3回携帯電話を使った監視カメラの製作」

H8/3052Fのマイコンには
- 8bit 20MHz動作
- Flash ROM 512kB (書き込み保証100回)
- RAM 8kB
- I/Oポート(入出力) 最大78本
- A/Dコンバータ 最大8ch、D/Aコンバータ 2ch (A/Dコンバータ2chはD/Aコンバータと切り替え)
通常動作: モード6(16MB空間)。・・・CN5 #1、#2間をジャンパでショート
ROM書き込み時: モード7 (ブートモード)・・・子基板のジャンパを外す。親基板の書き込みレバーをONにして、リセットスイッチを押し、H8 WriteTurboでRS232C接続したPCから書き込む。
今回のはシリアルインターフェースと2本のI/Oポートがあればいいので、もっと小規模のマイコンでよかったのだけど、H8マイコンが慣れているし、LCD表示やLED、スイッチがあってデバッグが簡単なのでこれにした。あと、将来的にUSB経由でパソコンとつなぐのもいいかなと思った。
実際やってみるとUSB I/Fでパソコンとデータ送受信するソフトが付いていて、携帯通信のデバッグに役立った。
2.PCの電源制御のためのマイコンI/Oポート割り当て
一通りキットで使っているI/Oを表にまとめて、あいているところを使う。
LANキットからI/Oポートが3つのコネクタから出ている。1つのコネクタ(CNX551)からPC制御用基板への電源と制御信号をつなげるようにポートを考えた。さらに以下のように考えた。
(1)携帯インターフェース
シリアルポート(TxD0)を携帯のRxDにつなぐ。TxD0はP9-0と共用ピン。
(2)センサ SENSE_N(入力)
ケーブル接続し易いように、TxDや5V、GNDに近いポートをアサイン。P4-0にした。
(3)ランプ・ラジオ制御LAMPON_N(出力)
ケーブル接続し易いように、TxDや5V、GNDに近いポートをアサイン。P4-2にした。
3. 回路
3.1 インターフェース回路
(1)電源
(a)Vcc(9V)
ACアダプタから9Vをもらう。 センサの電源につかう。
(b)5V1
9Vから作った5V。インターフェース回路やマイコンを動作させるための電源。
(c)5V2
別のACアダプタからの5V。ランプおよび携帯の充電用電源。ランプや携帯の影響を受けにくくするために、別電源にしている。
(d)3.3V
ラジオ用の電源
(2)センサインターフェース
センサを2つまで接続できる。(現状1つ接続)
・どちらかのセンサが検知すると動作始める。
・センサを接続していないときは、Pin#4のセンサ信号をGNDとショートしておく必要がある。
・FETでVccから5V1のレベルに変換し、74LS07に接続。
・センサの状態はLEDで見ることができる。
・マイコンにはTTLレベルで接続。
(3)ランプ・ラジオインターフェース
・マイコンの動作にかかわらず、センサが検知している間の10秒間はON状態となる。
・マイコンのLAMPON_N信号によって、ON制御される。
・トランジスタでGND側を制御。負荷の動作電圧にあわせ、プラス側は電源に接続。
ランプは、電球やLEDを接続している。(LEDはまだ接続していない。)
(4)携帯インターフェース
・携帯のRxDはTTLレベルで直結できる。
(Lowレベル: Max0.6V、Highレベル: Min3.5V。参考文献(1)の3.2.2節参照)
・全ピン入っている充電器やパソコン接続ケーブルを加工して、マイコンと携帯接続。
・5V供給で携帯充電できる。(正式には何V?)
携帯接続用に使ったケーブル
パソコン-携帯ケーブルの携帯側を使う。真ん中のところで分解。

・携帯のRxDはTTLレベルで直結できる。
(Lowレベル: Max0.6V、Highレベル: Min3.5V。参考文献(1)の3.2.2節参照)
・全ピン入っている充電器やパソコン接続ケーブルを加工して、マイコンと携帯接続。
・5V供給で携帯充電できる。(正式には何V?)
携帯接続用に使ったケーブル
USB接続の携帯充電ケーブル。充電だけだと2ピンしか使わないときもあるのに、これは全ピン入ってた。
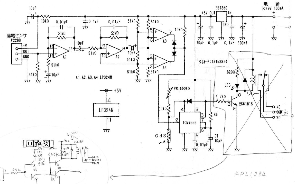
3.2 センサ回路
秋月の「超高感度/一般広角両用タイプ焦電型赤外線センサキット Ver.2」1,500円使用。
http://akizukidenshi.com/catalog/g/gK-00101/
それに通常クローズ状態になるように回路変更した。
こうすることによって、センサの線を切られたときもONの状態になる。
後、検知していないとき赤LED点灯、検知すると緑LED点滅(たまたま点滅するLED)を使った。
赤LEDが点灯していると怪しい感じがして効果ありそう。

3.2 センサ回路
秋月の「超高感度/一般広角両用タイプ焦電型赤外線センサキット Ver.2」1,500円使用。
http://akizukidenshi.com/catalog/g/gK-00101/
それに通常クローズ状態になるように回路変更した。
こうすることによって、センサの線を切られたときもONの状態になる。
後、検知していないとき赤LED点灯、検知すると緑LED点滅(たまたま点滅するLED)を使った。
赤LEDが点灯していると怪しい感じがして効果ありそう。
4.参考文献
(1)「自動車携帯電話サービスを利用するための技術参考資料(デジタル方式)第3.2版」NTTドコモ
http://www.nttdocomo.co.jp/binary/pdf/corporate/technology/document/pdc/jidoushadenwa.pdf
(2)トランジスタ技術2005年9月号 pp.239-246
「R8C/15付録マイコン基板活用企画 第3回携帯電話を使った監視カメラの製作」

コメントする